西南科技大学模拟电子技术实验五 集成运算放大器的应用设计预习报告——集成电路设计
韦尔、全志、艾为首批签约,无锡国家集成电路设计产业园正式启动
集成电路设计 电子世界的智慧基石与未来航标
180家行业翘楚汇聚,上海集成电路设计产业园筑就产业新高地
从电子管到纳米工艺 集成电路设计的演进史
从入门到放弃 单片机与集成电路设计的避坑指南
语音识别与嵌入式电子电路设计图集锦
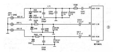
集成电路设计的艺术 50种经典电路图解析与启示
Protel 99 SE 在集成电路设计与仿真中的应用与价值
爱普特完成超亿元A轮融资,全国产MCU加速产业布局
华为CES 2019重磅出击 自研芯片引领创新,一文详解五大硬核亮点
政、校、企三方联动 集成电路设计领域合作育人的新模式探索
实用电源电路设计 从整流电路到开关稳压器
新凯来 集成电路产业第三极——大湾区的意外惊喜
2022年中国集成电路设计行业市场前景及投资研究预测报告
全国高等职业教育规划教材 集成电路设计与应用
南京培育独角兽企业泰治获数亿元A轮融资,助力中国半导体行业智能制造与集成电路设计
液晶信号板电路设计与原理详解
Proteus中LED灯所属库及其在集成电路设计中的应用
2021年中国集成电路设计行业投资市场研究报告
如若转载,请注明出处:http://www.fushanmingchuang.com/product/list-2.html