产品列表

功率集成电路设计技术 融合与挑战

更新时间:2026-04-15 03:47:21

浅析专用集成电路与集成电路设计

更新时间:2026-04-15 17:44:18

高级模拟集成电路设计

更新时间:2026-04-15 02:29:32

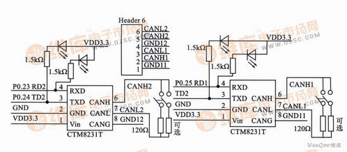
315m遥控电路设计

更新时间:2026-04-15 04:47:36

模拟集成电路设计的艺术与科学

更新时间:2026-04-15 02:36:08

公司简介 COMPANY

经营范围:其他科技推广服务业;应用软件开发;集成电路设计;信息系统集成服务;物联网技术服务;运行维护服务;信息技术咨询服务;计算机、软件及辅助设备批发。(依法须经批准的项目,经相关部门批准后方可开展经营活动。)(依法须经批准的项目,经相关部门批准后方可开展经营活动)

公司简介: -

企业信息 Information

公司名称:佛山名创网络科技有限公司

法人代表:梁绍波

注册地址:佛山市南海区西樵镇官山城区文明路1号荣华楼第二层5号铺(住所申报)

所属行业:科技推广和应用服务业

更多行业:其他科技推广服务业,科技推广和应用服务业,科学研究和技术服务业

适合男生报考的6个工科专业 发展前景好,平均月薪很高!

联系我们 Contact

电话:1802469**

地址:佛山市南海区西樵镇官山城区文明路1号荣华楼第二层5号铺(住所申报)

友情链接: 网络工程 新材料科技领域内的技术开发 贵州企业管理 鞋帽批发 互联网信息服务 个人卫生用品销售 经济信息咨询 互联网域名注册服务 爱易网络 水处理设备及配件的研发 代写英语论文 大数据服务 互联网信息技术服务 办公用品 教育 信息技术咨询 日用百货 企业管理咨询 信息系统集成服务 经济信息咨询 五金产品 技术服务 互联网信息服务 教学用模型及教具销售 箱包 企业总部管理 人工智能基础软件开发 数据库系统 家居用品 食用农产品批发 互联网销售 广告发布 网络技术服务 薪酬管理服务 仪器仪表 软件外包服务 软件开发 广播电视节目制作经营 互联网安全服务 日用百货销售 电脑图文的设计制作 技术转让 汽车内饰件 教育信息咨询 花生 照相机及器材销售 网吧连锁经营管理服务 木材 办公设备 咨询服务 网络与信息安全软件开发 干燥设备 家禽销售 网络与信息安全软件开发 土石方工程施工 进出口代理 日用品 室内环境治理 软硬件的研发 技术服务 赛事活动 农产品 气动执行器 服饰 实验小学 环保科技 钢板 秦汉新城湘柏网络工作室 杭州远创新智信息技术有限公司 杭州彼尚后勤服务有限公司 深圳市忠晨科技有限公司 上海好申齐贸易有限公司 南宁芽魅镁网络科技有限公司 佛山美冠铝业制品有限公司 上海哲苑迪机械科技有限公司 本宫(厦门)电子商务有限公司 成都锐图瀚科技有限公司 牡丹江市爱民区小奶墩拉丝酸奶水果捞店 汕头市海恩堂中医药科技有限公司 北京胜聚赢建筑工程有限公司 上海岩涛实业有限公司 陕西锐晓商贸有限公司 许昌市尚酷网络科技有限公司 深圳市万天源光电有限公司 重庆纳安网络科技有限公司 海口市德友兴商贸经营部 北京吴启乐科技有限公司 北京掌鑫汇川科技有限公司 北京早以科技有限公司 二连浩特市昊昇果蔬贸易有限责任公司 宿迁谦全网络科技有限公司 张家港市众之源机械有限公司 广东中安技术有限公司 合肥领峰知识产权服务有限公司 湖北五环专用汽车有限公司 上海曲于好科技有限公司 珠海光环传媒有限公司 西咸新区秦汉新城远冠玉网络工作室 南平房地产网 重庆航乾网络科技有限公司 成都尊舍文化传播有限公司 盐城市亭湖区城西恒昌花木经营部 保定跑快点物流有限公司 台州猎量猿美容服务有限公司武汉分公司 小黄蜂(黑龙江)家政服务有限公司 天气预报 南京博东防水工程有限责任有限公司
Top